聯系我們contact us
- 濟寧卓力機械刮板機分公司
- 手機:13280082001
- 聯系人:曹經理
- 電話:0537-2558089
- 郵箱:269628658@qq.com
- 地址:濟寧市國家高新技術產業園區
刮板機舌板/護板(護軸板,護鏈板)
來源:本站 發布時間:2019-04-24 訪問量:4559

刮板機護板,也叫護軸板、護鏈板、舌板、舌板組件、溜子護板,適用于刮板輸送機的機頭和機尾部(轉載機護板只位于機頭部),與固定架、分鏈器配套使用,護板的使用有利于維修時固定架、分鏈器的拆卸,縮短維修時間。
護板的作用是填充機頭軸或機尾軸與溜槽間的縫隙,防止卡煤塊或掉煤粉。
刮板機護軸板結構特點:
在舌板的兩端固定有相互對稱并與舌板垂直的分鏈撥叉,在兩個分鏈撥叉的中間向內對稱設置有一撥叉螺栓,在分鏈撥叉的外側分別設置有兩個可套在輸送機機頭殼上的銷軸上限位的叉套。
上述結構既滿足了原設計的一護機、二分鏈、三擋貨的要求,又具有結構簡單、制作容易、安裝、搬運方便,同時還具有易維護、保養、檢修、更新方便等優點。
舌板組件分類:
按配套主機廠可以分為:張家口煤機舌板組件,山東礦機舌板組件,山西煤機廠舌板組件,西北奔牛舌板組件,鄭煤機舌板組件等;
按配套機型可以分為:630刮板機舌板組件,730刮板機舌板組件,764刮板機舌板組件,830刮板機舌板組件等;
按使用位置可以分為機頭舌板組件和機尾舌板組件;
按使用機型種類可以分為:刮板機舌板組件,轉載機舌板組件。
刮板機護板型號:
40T護軸板,也叫護鏈板、護板、機頭護板,適用于SGB620/40T型刮板輸送機,位于刮板輸送機的機頭部分,與固定架、分鏈器配套使用,護軸板使用是為了方便更換分鏈器。
40TX型護板,也叫小40護板、護鏈板,適用于煤礦井下用SGB420/40TX型刮板輸送機,具有方便拆卸、更換的優點。
154S98/012303型護板,適用于煤礦井下用張家口SGZ800/800系列刮板機的機頭傳動部部分。圖1
206S800102型護板,也叫護軸板、護鏈板、舌板,適用于張家口煤機系列刮板機的機頭傳動部部分。圖2
72/01TD01舌板組件,該圖號舌板組件是張家口煤機刮板機上常用的舌板組件。圖3
30S08101TD04舌板組件,SZZ730/160順槽用轉載機用舌板組件。
164S13/02TD05舌板組件,與164S13/02TD04拔鏈器配套使用,主機型號是SGZ630/264刮板機。
167S010102舌板組件,該圖號舌板組件是張家口煤機刮板機上常用的舌板組件。
150S020104、150S801201舌板組件是SZZ1000/400轉載機機頭用舌板組件,與150S801202拔鏈器配套使用。
162S13/02TD03 162S系列刮板輸送機用機頭舌板組件
圖1 154S98/012303型護板尺寸圖

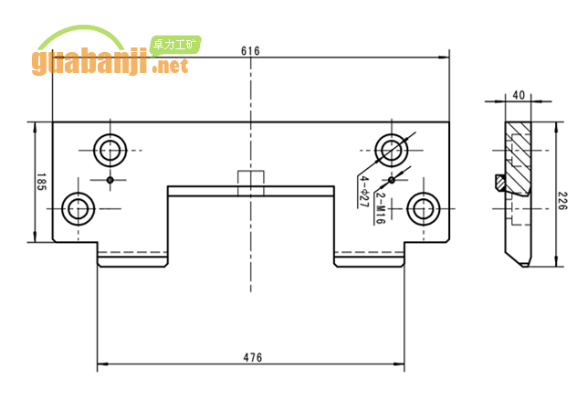
圖2 206S800102型護板,也叫護軸板、護鏈板、舌板尺寸圖

圖3 72/01TD01舌板組件 張家口煤機

圖4
卓力主要產品:SGZ630、SGZ730、SGZ764、SGZ800、SGZ830、SGZ880、SGZ900、SGZ1000、SGZ1200、SGZ1250、SGZ1400綜采刮板輸送機用鏈輪軸組、鏈輪組件、綜采大型中部槽;綜采刮板、E型螺栓、橫梁、啞鈴銷、日字環、卡塊、鋸齒環、弧齒環、鏈條;JS30、JS40、JS75型減速機;適用于薄煤層的SGB620/40T、SGB420/30、SGD420/22、SGD320/17B型刮板輸送機系列整機及配件。


打印頁面
關閉窗口