聯系我們contact us
- 濟寧卓力機械刮板機分公司
- 手機:13280082001
- 聯系人:曹經理
- 電話:0537-2558089
- 郵箱:269628658@qq.com
- 地址:濟寧市國家高新技術產業園區
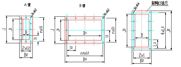
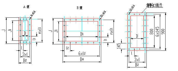
MS埋刮板輸送機外形尺寸圖
來源:本站 發布時間:2016-07-18 訪問量:1833
MS埋刮板輸送機外形尺寸圖
MS16--MS25型埋刮板輸送機外形尺寸



MS32-- MS40型埋刮板輸送機外形尺寸









我們愿以卓越的產品質量,恒久的服務理念與您建立長期穩定的合作伙伴,客戶滿意是我們永遠不懈的追求
電 話:0537-2558089
聯系人:曹經理
手 機:13280082001
郵 箱:269628658@qq.com
地 址:濟寧市國家高新技術產業園區
微信公眾號


打印頁面
關閉窗口